NGHIỆM THU ĐỀ TÀI NCKH CẤP TRƯỜNG TR2020-13-25
Ngày 09/9/2022, tại Văn phòng Khoa Cơ khí, Hội đồng đánh giá nghiệm thu đề tài KHCN cấp Trường đã tiến hành nghiệm thu đề tài khoa học cấp trường "Thiết kế, chế tạo thiết bị khử mặn nước biển bằng buồng phun bay hơi để cung cấp nước ngọt", mã số TR2020-13-25 do TS. Nguyễn Hữu Nghĩa làm chủ nhiệm.
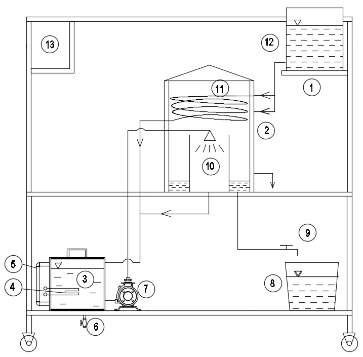
Tại buổi nghiệm thu, tác giả đã trình bày nội dung nghiên cứu chính như: Tổng quan về các thiết bị khử mặn đang ứng dụng để sản xuất nước ngọt trên thế giới và tại Việt Nam, Tổng quan về TBKM nước biển bằng phương pháp phun bay hơi. Tính toán thiết kế các thiết bị của hệ thống khử mặn như: bình gia nhiệt nước biển, chọn công suất bơm phun, tính kích thước buồng phun bay hơi, tính thiết kế dàn ống ngưng tụ. Các bước chế tạo, gia công, lắp đặt thiết bị, bố trí các thiết bị đo; Trang bị điện điều khiển cho thiết bị. Chạy thực nghiệm và đo đạc các thông số.
Kết quả cho thấy, thiết bị khử mặn nước biển có thể điều chỉnh ở các chế độ nhiệt độ gia nhiệt và áp suất phun, kết cấu vòi phun khác nhau, có thể sản xuất ra nước ngọt có độ mặn <0,5 0/00 và lưu lượng trung bình từ 0,9 - 1 lít /h. Kết quả nghiên cứu này cung cấp dẫn liệu khoa học về công nghệ khử mặn để sản xuất nước ngọt, tạo tiền đề cho các nghiên cứu tiếp theo. Đề tài được Hội đồng nghiệm thu đánh giá tốt.
Một số hình ảnh của thiết bị:

Mô hình thiết kế

Thiết bị khử mặn